TwitterLinkedinTelegramTelegram
Gilles MartyHodowca - Francja16-gru-2014
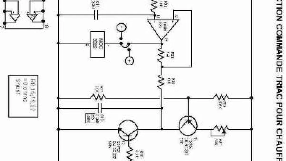
Shéma commande triac
X
XLinkedinWhatsAppTelegramTelegram
polubieniakomentarze
udostępnij
Moje ulubione